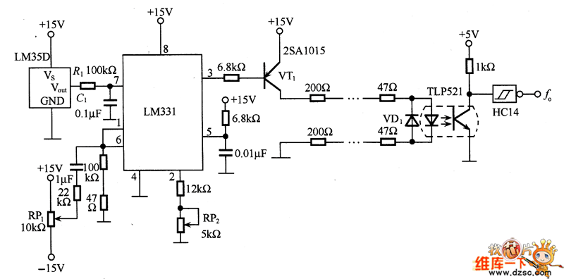
電平的輸出頻率信號的電路圖
如圖是將20~150℃的溫度變換為200~1500 Hz TTL電平的輸出頻率信號的電路,溫度傳感器采用LM35D,它的測量溫度范圍為-55~+150C, 靈敏度為10mV/℃。當測溫范圍為2~150℃時,其輸出電壓為20~1500 mV。電壓/頻率轉換器采用LM331,R1C1構成低通濾波器濾除LM35D的輸出噪聲 。RP1用于調零,當溫度為2℃時,調整RP1,使輸出頻率
為20Hz。RP2用于范圍調整,當溫度為150℃時,調整RP2,使輸出頻率
為1500 Hz。
溫度探頭 | 多用表 | 熱像儀 | 驗電筆 | 電源供應器 | 電力計 | 濃度計 | 測振儀 | 熱流計 | 露點儀 | 水分測定儀 | 金屬探測器 | 螺絲批 | 采樣儀 | 變送器 | 電阻測試儀 | 剪線鉗 | 電導度計
電壓/頻率轉換器的輸出通常是以TTL電平脈沖列傳送出去,這里LM331輸出通過VT1放大為0/20 mA 的電流脈沖列,即電流0對應的邏輯0電平 電,流20mA對應的邏輯1電平。采用扭絞二線電纜進行遠距離傳輸,接收部分采用光電耦合器TLP521進行電氣隔離。0/20 mA的電流脈沖列直接驅 動TLP521,HC14輸出
為20~1500 Hz的TTL電平的頻率信號,接到頻率/電壓轉換器或者計數器進行必要的處理。

如圖 將20~150℃的溫度變換為200~1500 Hz TTL電平的輸出頻率信號的電路