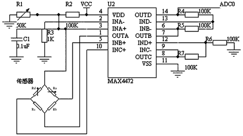
血壓傳感電路及濾波和放大電路
如下圖所示,本電路采用BP01型壓力傳感器和運放MAX4472。BP01型壓力傳感器是為檢測血壓而專門設計的,主要用于便攜式電子血壓計。它采用精密厚膜陶瓷芯片和尼龍塑料封裝,具有高線性、低噪聲和外界應力小的特點;采用內部標定和溫度補償方式,提高了測量精度、穩定性和重復性,在全量程范圍內,精度為±1%、零點失調不大于±300μV。MAX4472是MAXIM公司的一款集成了四個運算放大器的低功耗放大芯片。本系統中內部集成運放A接恒流源,為壓力傳感器提供恒定的電流,運放B和運放C,運放D組成差分輸入、單端輸出放大電路,直接輸入ADC0監視血壓直流分量。

濾波和放大電路
如下圖所示,電路由濾波和放大兩部分組成。其中MAX267是MAXIM公司出產的一個集成濾波器,可以構成低通、帶通、高通、等多種方式,使用靈活,性能遠遠優于采用集成運放組成的濾波電路。酸堿計 | 熱像儀 | 測速儀 | 煙氣分析儀 | 多用表 | 熱流計 | 電池測試儀 | 氧氣檢測 | 傳感器 | 空氣品質監測儀 | 無紙記錄儀 | 水份儀
MAX4471是MAXIM公司的一款低功耗的放大器。MAX9028是MAXIM公司的一個低功耗的比較器。濾波電路采用MAX267構成帶通濾波器(允許0.8~38Hz的信號通過),濾掉信號中的直流成分和電源以及皮膚與袖帶摩擦的高頻噪聲和工頻干擾,然后經過MAX4471進行進一步放大,得到單片機匹配的電壓信號,進入ADC2,監視血壓的交流分量。同時該信號通過低功耗比較器MAX9028轉換成脈沖信號,觸發ADC1工作。