防止電池反接保護的電路設計
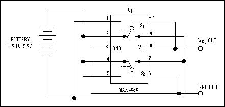
用戶在使用電池供電產品時常常會誤將電池裝反(當然,工程師不會犯這樣的錯誤)。利用單個二極管或二極管橋可以避免損壞電路,但那會浪費功率,并由于在電池與系統電源間串入了一或兩個二極管壓降,使可用的電源電壓減小。在此介紹一個替換方案,不僅解決了反接電池的保護問題,而且還能夠自動糾正反接錯誤(見下圖)。為消除分立二極管的管壓降,選用具有低導通電阻的DPDT(雙刀雙擲)開關,用作全波整流器。當電池如圖中所示正確連接時,上端的開關(S1)位于常閉狀態,因為其控制引腳為低電平。引腳2到引腳10間的連接提供了一條從電池到VCC端的低阻通路。反之,下端的開關(S2)閉合其常開觸點(未畫出),因為其控制引腳為高電平。引腳7到引腳6導通使電池的負端與系統地連接。 粘度計 | 溫濕度記錄儀 | 折射儀 | 扁嘴鉗 | 頻閃儀 | 多功能測試儀 | 扭力計 | 溫度探頭 | 輻照計 | 糖度計 | 粒子計數器 | 臭氧檢測儀
IC1內部的ESD保護二極管可保證電路正常開啟,其作用類似于全波整流器。電池電壓高于1V時,模擬開關內部的MOSFET導通。其導通時間低于20ns,能夠在電池極性接反時迅速切換電池與系統的連接極性,保證電路正常工作。電路導通電阻與電池電壓有關。采用4節NiCd、NiMH或堿性電池供電時,整流器各端電阻為2.5Ω (總電阻為5Ω)。采用2節電池供電時(2.4V至3V),總電阻為10Ω。IC1的額定工作電壓最高至5.5V,允許通過的連續電流為30mA,這使該電路非常適合用于無繩電話、便攜式音頻設備、手持式電子產品及其它中低電流的應用。IC1的超小型10引腳μMAX封裝的占用空間比分立二極管方案所需的四只引線式小信號二極管更小,幾乎與兩只SOT-23雙二極管大小相同。

圖1. 該電路檢測電池極性,并迅速接通負載或切換電池極性。