從數據轉換中獲取最佳性能
在汽車電子控制電路里面,尤其在自動隔斷系統或電子穩定性程序上,模擬與數字轉換的質素確實是生死一線之隔,任何的遲緩或者不準確都會減低在緊急情況下保護車輛乘客的能力。雖然這是一個極端例子,但卻說明了數據轉換質素如何沖擊用來控制模擬電子線路的數字微處理器的最終性能,故此這是一個不容忽視的課題。
轉換質素最終由所采用的模 ─ 數轉換器(ADC)及數 ─ 模轉換器(DAC)的質素,支援元件,以及在信號鏈路上所采用的技術設計來支配及決定。
成本也是在商業發展限制以內提高質素的一個問題。產品預算即是說找尋能提供最佳成本 ─ 性能比的元件。此外,通過布局及噪聲問題引發的普遍誤差,以及其他意想不到的技術困難,都會影響到設計的效率和與所需元件有關的質素(及成本)。
本文目的是要審查在ADC及DAC(現在起將之統稱為ADC)里面找到的最普遍造成誤差的源頭。會以Microchip及National Semiconductor兩家公司的樣本元件為參照。并且會詳細討論數個樣本應用電路。
另外也提出意見,使大家領悟數據書中所隱含的意義,挑出任何明顯的性能問題。
誤差之源模擬與數字轉換誤差可分為與直流(DC)及交流(AC)有關的誤差,DC誤差又細分為四類∶量化誤差、微分線性誤差、積分線性誤差、偏移與增益誤差。AC誤差一般與信噪及總諧波失真(THD)問題有關。

量化是最基本誤差,用圖1所示的簡單3bit轉換器來說明,輸入電壓被數化,以8個離散電平來劃分,分別由代碼000至111去代表它們,每一代碼跨越Vref/8 的電壓范圍(以n bit轉換器來講這是由Vref/2n計算出)。代碼大小一般被定義為一個最低有效位(LSB),若假定Vref = 8V的話,每一代碼之間的電壓變化就代表1V。換言之,產生指定代碼的實際電壓與代表該碼的電壓兩者之間存有誤差。一般來講,0.5LSB偏移加入到輸入端便導致在理想過渡點上有+/-0.5LSB的量化誤差,在上述例子中即是有+/-0.5V誤差。

由於圖1所示是一個理想的轉換器。其碼至碼過渡點相隔1LSB,然而,在實際ADC當中情況不是這樣,出現了微分非線性(DNL)誤差,正如圖2所示。代碼010及011之間過渡有一個0的DNL。因為剛好1 LSB。可是,000至001過渡就有一個+0.2 LSB的DNL,因它有1.2 LSB的代碼寬度。倘若DNL誤差被指為大於+/- 1 LSB的話。該轉換器就可能有漏失碼,代碼100永不出現在輸出端,因為轉換器給代碼101有2.2的DNL值∶應要注意,在數據書上如沒有清楚說明DNL數字的話,可視該轉換器為沒有漏碼,暗示它有優於+/- 1 LSB的DNL數字,譬如Microchip MCP320X 12 bit轉換器系列在數據書訂明為+/- 1 LSB DNL。
倘若轉換器應用在一個閉環控制系統里面,差劣的DNL影響會造成系統“尋覓”(在設定點周圍搖擺不定而又未能靜止於穩定情況),也勢必降低信噪比(SNR)。
數學積分的DNL
然而,不是常常一定要選具有+/- 1 LSB DNL的ADC,譬如一個有+/- 4 LSB DNL的16 bit轉換器(即14 bit沒有漏碼)適合於需有13 bit分辨率的設計,比起沒有漏碼的16bit轉換器更為便宜。

積分非線性(INL)是DNL誤差的數學積分,即是說一個具有良好INL的ADC保證有良好的DNL。INL乃描述轉換器與理想線性傳遞函數的偏差,如圖3所示,制造商普遍有兩種不同方法去測量INL,對於設計師的“端點”及“最佳適配”是有重要推斷。
就以“最佳適配”法來講,最佳適配線性傳遞函數從該器件INL平衡傳遞函數的正負偏差推算出來。這樣造出了比由“末端”方法所得的更佳INL數字。然而,在實際當中為要實現這些數字,使用者必須為增益及偏移誤差調節每一轉換器,對於大多數設計師來講這是不切實際不是所希望的。
至於端點方法,線性傳遞函數是在頭與尾碼過渡的連線上來定義,INL就是指為與這線的偏差,它雖給於一個更保守的結果,但對使用者更為有用,因只要兩端點作出調節它便給於期望的INL最壞情況。公司如National Semiconductor采用“端點”方法。由於INL與DNL兩者都不能校準或修正,所以,當選擇一個符合所指定誤差預算的ADC時,它們是很重要的參考參數。
增益與偏移誤差也發生在ADC轉換器里面,但卻可利用微控制器來校正它。偏移電壓誤差是指在所有輸出代碼上與代碼過渡點的偏差,通常在第一個代碼過渡點上測量。值得留意的是如果轉換采用單極性方式的話,雖然這誤差可以校正,但它會導致動態范圍有一些損失。增益誤差定義為與理想模擬-數字傳遞函數的偏差。確定最末代碼過渡點,并用偏移誤差值減去它,便可計算出增值誤差。增益誤差也與所采用的基準電壓有關,故此,注意數據書是否采用內部抑或外部基準電壓對決定增益誤差亦很重要。
有時會用另一數字來說明,屬於完全未調節誤差或絕對誤差,這是所有誤差來源的規格,它給于設計師確定元件是否符合某特定誤差預算而不用進一步校準的直接方法。大部份數據書都給以表列誤差的規格,以便設計師選取一個符合既定誤差預算的元件。
AC信號
上述的誤差是表達轉換器的DC性能程度,如果設計師要確定一個使用AC信號的元件的話,就須考慮好幾項其他電氣特性。主要規格有信噪比(SNR)、信噪與失真比(SINAD),總諧波失真(THD)、無寄生的動態范圍(SFDR)及有效位數(ENOB)。最末的一個是有助於量化動態性能的規格。
SNR是輸出信號振幅對輸出噪聲的比值,當中并不包括諧波及DC在內。這個量化當中有三種成分∶噪聲、轉換器本身產生的噪聲、應用噪聲。量化噪聲關系到傳換器的分辨率,轉換器內里的噪聲主要是與輸入比較器功能的完善程度有關。由於這個準確性使高的壓擺率下降,故值得留意SNR所定義的頻率。理論上最高SNR為∶
SNR max(dB)= 6.02n + 1.76
式中n = 轉換器分辨率(bit)
THD乃表示轉換器的線性度,用意表達其對信號的諧波含量的作用或影響。它是諧波和方根(root-sum-square)的有效值,而噪聲相對於正弦輸入的有效值(RMS)。
在數據書中找尋更有用的數值是SINAD,因它表達ADC引進的噪聲諧波及失真的程度。在完美轉換器中、SINAD與SNR是相同的。將SINAD數字轉化為有效位數(ENOB)會對轉換器質素有更多一點具意義的概念,不過亦有許多制造商在其數據書中表明ENOB,兩者的關系為∶
ENOB = (SINAD - 1.76)/6.02
ENOB乃代表完美轉換器具有的位數分辨率去給與相同的SINAD。再要留意必須指定取樣頻率及測試條件。當頻率接近奈奎斯特(Nyguist)速率時ENOB會下降。改善SNR的方法是對關注的信號實行過取樣,每次取樣頻率加大一倍噪聲底便降低3dB。
SFDR被定義為期望輸出信號的有效值與最大振幅輸出頻率(不存在於輸入端)的差值。對設計師來講這是很重要的,因說明了轉換器可以分辨最低信號電平。
電路設計問題
既已了解ADC數據書如何定義誤差,現在更重要的是明白差劣的電路設計如何嚴重損害轉換器的性能。於信號源與ADC之間通常需要進行某些信號波形處理。當中采用任何電阻均會引入噪聲,故選用的數值應取實際低值。

圖4所示為簡單的緩沖器,應要避免采用電阻排,因元件之間的電容頗高。可導致高頻耦合到信號路徑。反饋電阻輸出則與連接在運放正端的電阻之間的電容可造成振蕩。這會出現為一個DC偏移。
運放的選擇也很重要,影響系統性能的放大器規格是偏移誤差電壓和輸出噪聲系統,信號波形處理緩沖器還有其他難以捉摸的問題。

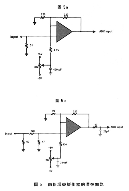
圖5a所示為一個具有2倍增益的緩沖器,這里有兩個潛在問題,首先,大多數取樣ADC的輸入端是一個開關式電容器負荷,這類電路可以從輸入引腳輸出能量。故此它構成了放大器輸出振鈴或振蕩是有可能的。聰明的防預措施是用RC網絡來把輸出退耦合,如圖5b所示。
其次,放大器工作於一個低增益上,會令它更易於振蕩,將輸入信號衰減及提升放大器的增益可突顯這問題。
不適當的電源退耦合也可導致差劣的數據轉換效能,當ADC輸出改變狀態時,輸出驅動器會汲取很大動態電流,因它正要突然間驅動電容負荷,此舉有兩條路徑造成噪聲,首先,由輸出匯集的任何電流通過元件襯底(芯片地),并且可造成公共模式,因為當作出轉換時這個電壓由輸入有效地減去。減短ADC與微處理器之間的距離及采用串聯電阻,即可限制這個影響。
其次,如果輸出為源流,那麼這些大電流便在電流引腳上造成噪聲。倘若模擬與數字電源引腳沒有適當的退耦,這噪聲使耦合去模擬電路。
良好的退耦合方案

圖6所示為給National ADC12040的一個良好退耦合方法。挑選備有優良電源抑制比(PSRR)的ADC和緩沖器亦可減少這影響(但須留意PSRR會隨頻率增加而下降)。
采用地平面也是對減低噪聲有益處,不過,應注意要確保地平面上的間隙與信號路徑平行。
采用時鐘來驅動轉換器也可造成一些輕率大意的問題,首會耦合到信號路徑而削弱性能,故此,其游走路線應要遠離模擬信號。倘若時鐘有過量的顫動(即顯現有周與周的占空因數變化),便會有更顯著的影響。這些顫動會由於布局差,時鐘線不獲正確端接,以及時鐘電路設計不良所致。最聰明的做法是把時鐘線當作傳輸線看待,并且給于正確端接。如果路徑長度上所造成的延遲是超越6倍時鐘上升時間的話。就必要這樣做。FR4基板的延遲一般每毫米6ps,換言之,以2ns上升時間的信號來講,長度超過55毫米的時鐘線就必須視作為傳輸線,并給于正確端接。
基準電路
最後須於考慮的電路是基準源,基準源的質素對系統性能具重大的意義,原因是模擬信號是以它作為比較。須留意的明顯參數包括初始準確性、溫度系數及輸出噪聲。譬如,設計師需一個工作於-40℃至+85℃溫度范圍及有12 bit準確度的系統,基準就需要優於4ppm。

有一種技術可減低對甚低漂移元件的需求,這是采用如圖7所示的比率計測量,基準把傳感器連同ADC饋入,有效地抵消基準電壓上的任何漂移,因它一同影響ADC與模擬輸入。

圖8為一個典型的基準電路,可用來加快比如National ADC1175之類的低功率ADC。基準輸出經濟緩沖,以提供ADC輸入所需的低阻抗驅動。選用的拉上電阻數值是要足夠低,才保證基準二極管在其溫度范圍內有低漂移。
留心陷阱
顯而易見,在使用ADC設計之時有許多潛在的誤差源頭,每一個都會對總體性能及應用成本大打折扣。然而,只要留心那些普遍潛在的麻煩地方,就可以很容易將之識別及避開它。
這是重要的關頭,因為數據轉換性能對最終應用及產品的沖擊會令到其商業上的成功構成直接影響。