開關電源的紋波和噪聲
開關電源(包括AC/DC轉換器、DC/DC轉換器、AC/DC模塊和DC/DC模塊)與線性電源相比較,最突出的優點是轉換效率高,一般可達80%~85%,高的可達90%~97%;其次,開關電源采用高頻變壓器替代了笨重的工頻變壓器,不僅重量減輕,體積也減小了,因此應用范圍越來越廣。但開關電源的缺點是由于其開關管工作于高頻開關狀態,輸出的紋波和噪聲電壓較大,一般為輸出電壓的1%左右(低的為輸出電壓的0.5%左右),最好產品的紋波和噪聲電壓也有幾十mV;而線性電源的調整管工作于線性狀態,無紋波電壓,輸出的噪聲電壓也較小,其單位是μV。
本文簡單地介紹開關電源產生紋波和噪聲的原因和測量方法、測量裝置、測量標準及減小紋波和噪聲的措施。
紋波和噪聲產生的原因
開關電源輸出的不是純正的直流電壓,里面有些交流成分,這就是紋波和噪聲造成的。紋波是輸出直流電壓的波動,與開關電源的開關動作有關。每一個開、關過程,電能從輸入端被“泵到”輸出端,形成一個充電和放電的過程,從而造成輸出電壓的波動,波動頻率與開關的頻率相同。紋波電壓是紋波的波峰與波谷之間的峰峰值,其大小與開關電源的輸入電容和輸出電容的容量及品質有關。
噪聲的產生原因有兩種,一種是開關電源自身產生的;另一種是外界電磁場的干擾(EMI),它能通過輻射進入開關電源或者通過電源線輸入開關電源。
開關電源自身產生的噪聲是一種高頻的脈沖串,由發生在開關導通與截止瞬間產生的尖脈沖所造成,也稱為開關噪聲。噪聲脈沖串的頻率比開關頻率高得多,噪聲電壓是其峰峰值。噪聲電壓的振幅很大程度上與開關電源的拓撲、電路中的寄生狀態及PCB的設計有關。
利用示波器可以看到紋波和噪聲的波形,如圖1所示。紋波的頻率與開關管頻率相同,而噪聲的頻率是開關管的兩倍。紋波電壓的峰峰值和噪聲電壓的峰峰值之和就是紋波和噪聲電壓,其單位是mVp-p。

圖1 紋波和噪聲的波形
紋波和噪聲的測量方法
紋波和噪聲電壓是開關電源的主要性能參數之一,因此如何精準測量是一個十分重要問題。目前測量紋波和噪聲電壓是利用寬頻帶示波器來測量的方法,它能精準地測出紋波和噪聲電壓值。
由于開關電源的品種繁多(有不同的拓撲、工作頻率、輸出功率、不同的技術要求等),但是各生產廠家都采用示波器測量法,僅測量裝置上不完全相同,因此各廠對不同開關電源的測量都有自己的標準,即企業標準。
用示波器測量紋波和噪聲的裝置的框圖如圖2所示。它由被測開關電源、負載、示波器及測量連線組成。有的測量裝置中還焊上電感或電容、電阻等元件。

圖2 示波器測量框圖
從圖2來看,似乎與其他測波形電路沒有什么區別,但實際上要求不同。測紋波和噪聲電壓的要求如下:
● 要防止環境的電磁場干擾(EMI)侵入,使輸出的噪聲電壓不受EMI的影響;
● 要防止負載電路中可能產生的EMI干擾;
● 對小型開關型模塊電源,由于內部無輸出電容或輸出電容較小,所以在測量時要加上適當的輸出電容。
為滿足第1條要求,測量連線應盡量短,并采用雙絞線(消除共模噪聲干擾)或同軸電纜;一般的示波器探頭不能用,需用專用示波器探頭;并且測量點應在電源輸出端上,若測量點在負載上則會造成極大的測量誤差。為滿足第2點,負載應采用阻性假負載。
經常有這樣的情況發生,用戶買回的開關電源或模塊電源,在測量紋波和噪聲這一性能指標時,發現與產品技術規格上的指標不符,大大地超過技術規格上的性能指標要求,這往往是用戶的測量裝置不合適,測量的方法(測量點的選擇)不合適或采用通用的測量探頭所致。
幾種測量裝置
1雙絞線測量裝置
雙絞線測量裝置如圖3所示。采用300mm(12英寸)長、#16AWG線規組成的雙絞線與被測開關電源的+OUT及-OUT連接,在+OUT與-OUT之間接上阻性假負載。在雙絞線末端接一個4TμF電解電容(鉭電容)后輸入帶寬為50MHz(有的企業標準為20MHz)的示波器。在測量點連接時,一端要接在+OUT上,另一端接到地平面端。

圖3 雙絞線測量裝置
這里要注意的是,雙絞線接地線的末端要盡量的短,夾在探頭的地線環上。
2 平行線測量裝置
平行線測量裝置如圖4所示。圖4中,C1是多層陶瓷電容(MLCC),容量為1μF,C2是鉭電解電容,容量是10μF。兩條平行銅箔帶的電壓降之和小于輸出電壓值的2%。該測量方法的優點是與實際工作環境比較接近,缺點是較容易撿拾EMI干擾。

圖4 平行線測量裝置
3 專用示波器探頭
圖5所示為一種專用示波器探頭直接與波測電源靠接。專用示波器探頭上有個地線環,其探頭的尖端接觸電源輸出正極,地線環接觸電源的負極(GND),接觸要可靠。

圖5 示波器探頭的接法
這里順便提出,不能采用示波器的通用探頭,因為通用示波器探頭的地線不屏蔽且較長,容易撿拾外界電磁場的干擾,造成較大的噪聲輸出,虛線面積越大,受干擾的影響越大,如圖6所示。

圖6 通用探頭易造成干擾
4 同軸電纜測量裝置
這里介紹兩種同軸電纜測量裝置。圖7是在被測電源的輸出端接R、C電路后經輸入同軸電纜(50Ω)后接示波器的AC輸入端;圖8是同軸電纜直接接電源輸出端,在同軸電纜的兩端串接1個0.68μF陶瓷電容及1個47Ω/1w碳膜電阻后接入示波器。T形BNC連接器和電容電阻的連接如圖9所示。

圖7 同軸電纜測量裝置1

圖8 同軸電纜測量裝置2

圖9 T形BNC連接器和電容電阻的連接
紋波和噪聲的測量標準
以上介紹了多種測量裝置,同一個被測電源若采用不同的測量裝置,其測量的結果是不相同的,若能采用一樣的標準測量裝置來測,則測量的結果才有可比性。近年來出臺了幾個測量紋波和噪聲的標準,本文將介紹一種基于JEITA-RC9131A測量標準的測量裝置,如圖10所示。

圖10 基于JEITA-RC9131A測量標準的測量裝置
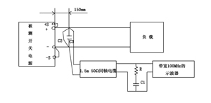
該標準規定在被測電源輸出正、負端小于150mm處并聯兩個電容C2及C3,C2為22μF電解電容,C3為0.47μF薄膜電容。在這兩個電容的連接端接負載及不超過1.5m長的50Ω同軸電纜,同軸電纜的另一端連接一個50Ω的電阻R和串接一個4700pF的電容C1后接入示波器,示波器的帶寬為100MHz。同軸電纜的兩端連接線應盡可能地短,以防止撿拾輻射的噪聲。另外,連接負載的線若越長,則測出的紋波和噪聲電壓越大,在這情況下有必要連接C2及C3。若示波器探頭的地線太長,則紋波和噪聲的測量不可能精確。
另外,測試應在溫室條件下,被測電源應輸入正常的電壓,輸出額定電壓及額定負載電流。
不正確與正確測量的比較
1探頭的選擇
圖11是用AAT1121芯片組成的降壓式DC/DC轉換器電路及測量正確和不正確的波形圖。若采用普通的示波器探頭來測量(如圖12所示),由于地線與探頭組成的回路面積太大(由剖面線組成的面積),它相當于一根“天線”,極易受到EMI的干擾,其輸出的紋波和噪聲電壓相當大(見圖11中右面的示波器波形圖中綠色的紋波和噪聲波形)。若采用專用的測量探頭(如圖13所示),它的地線極短,探頭與地線組成回路面積較小,受到EMI干擾極小,其輸出紋波和噪聲波形如圖11右面的紅色線所示。這例子說明一般通用示波器的探頭是不能用的。

圖11 AAT1121電路測量波形

圖12 用普通示波器探頭測得的波形

圖13 用專用測量探頭測得的波
2 探頭與測試點的接觸是否良好
以金升陽公司的1W DC/DC電源模塊IF0505RN-1W為例,采用專用探頭靠測法,排除外界EMI噪聲干擾,探頭接觸良好時,測出的紋波和噪聲電壓為4.8mVp-p,如圖14所示。若觸頭接觸不良時,則測出的紋波和噪聲電壓為8.4mVp-p,如圖15所示。

圖14 電源模塊IF0505RN-1W測試波形(接觸良好)

圖15 電源模塊IF0505RN-1W測試波形(接觸不良)
這里順便再用普通示波器探頭測試一下,其測試結果是紋波和噪聲電壓為48mVp-p,如圖16所示。

圖16 電源模塊IF0505RN-1W測試波形(普通探頭)
減小紋波和噪聲電壓的措施
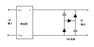
開關電源除開關噪聲外,在AC/DC轉換器中輸入的市電經全波整流及電容濾波,電流波形為脈沖,如圖17所示(圖a是全波整流、濾波電路,b是電壓及電流波形)。電流波形中有高次諧波,它會增加噪聲輸出。良好的開關電源(AC/DC轉換器)在電路增加了功率因數校正(PFC)電路,使輸出電流近似正弦波,降低高次諧波,功率因數提高到0.95左右,減小了對電網的污染。電路圖如圖18所示。

圖17 開關電源整流波形

圖18 開關電源PFC電路
開關電源或模塊的輸出紋波和噪聲電壓的大小與其電源的拓撲,各部分電路的設計及PCB設計有關。例如,采用多相輸出結構,可有效地降低紋波輸出。現在的開關電源的開關頻率越來越高;低的是幾十kHz,一般是幾百kHz,而高的可達1MHz以上。因此產生的紋波電壓及噪聲電壓的頻率都很高,要減小紋波和噪聲最簡單的辦法是在電源電路中加無源低通濾波器。
1減少EMI的措施
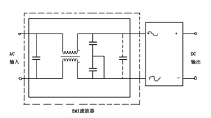
可以采用金屬外殼做屏蔽減小外界電磁場輻射干擾。為減少從電源線輸入的電磁干擾,在電源輸入端加EMI濾波器,如圖19所示(EMI濾波器也稱為電源濾波器)。

圖19 開關電源加EMI濾波
2 在輸出端采用高頻性能好、ESR低的電容
采用高分子聚合物固態電解質的鋁或鉭電解電容作輸出電容是最佳的,其特點是尺寸小而電容量大,高頻下ESR阻抗低,允許紋波電流大。它最適用于高效率、低電壓、大電流降壓式DC/DC轉換器及DC/DC模塊電源作輸出電容。例如,一種高分子聚合物鉭固態電解電容為68μF,其在20℃、100kHz時的等效串聯電阻(ESR)最大值為25mΩ,最大的允許紋波電流(在100kHz時)為2400mArms,其尺寸為:7.3mm(長)×4.3mm(寬)×1.8mm(高),其型號為10TPE68M(貼片或封裝)。
紋波電壓ΔVOUT為:
ΔVOUT=ΔIOUT×ESR (1)
若ΔIOUT=0.5A,ESR=25mΩ,則ΔVOUT=12.5mV。
若采用普通的鋁電解電容作輸出電容,額定電壓10V、額定電容量100μF,在20℃、120Hz時的等效串聯電阻為5.0Ω,最大紋波電流為70mA。它只能工作于10kHz左右,無法在高頻(100kHz以上的頻率)下工作,再增加電容量也無效,因為超過10kHz時,它已成電感特性了。
某些開關頻率在100kHz到幾百kHz之間的電源,采用多層陶電容(MLCC)或鉭電解電容作輸出電容的效果也不錯,其價位要比高分子聚合物固態電解質電容要低得多。
3 采用與產品系統的頻率同步
為減小輸出噪聲,電源的開關頻率應與系統中的頻率同步,即開關電源采用外同步輸入系統的頻率,使開關的頻率與系統的頻率相同。
4 避免多個模塊電源之間相互干擾
在同一塊PCB上可能有多個模塊電源一起工作。若模塊電源是不屏蔽的、并且靠的很近,則可能相互干擾使輸出噪聲電壓增加。為避免這種相互干擾可采用屏蔽措施或將其適當遠離,減少其相互影響的干擾。
例如,用兩個K7805-500開關型模塊組成±5V輸出電源時,若兩個模塊靠的很近,輸出電容C4、C2未采用低ESR電容,且焊接處離輸出端較遠,則有可能輸出的紋波和噪聲電壓受到相互干擾而增加,如圖20所示。
如果在同一塊PCB上有能產生噪聲干擾的電路,則在設計PCB時要采取相似的措施以減少干擾電路對開關電源的相互干擾影響。

圖20 K7805-500并聯
5 增加LC濾波器
為減小模塊電源的紋波和噪聲,可以在DC/DC模塊的輸入和輸出端加LC濾波器,如圖21所示。圖21左圖是單輸出,圖21右圖是雙輸出。

圖21 在DC/DC模塊中加入LC濾波器
在表1及表2中列出1W DC/DC模塊的VIN端和VOUT端在不同輸出電壓時的電容值。要注意的是,電容量不能過大而造起動問題,LC的諧振頻率必須與開關頻率要錯開以避免相互干擾,L采用μH極的,其直流電阻要低,以免影響輸出電壓精度。


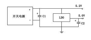
6 增加LDO
在開關電源或模塊電源輸出后再加一個低壓差線性穩壓器(LDO)能大幅度地降低輸出噪聲,以滿足對噪聲特別有要求的電路需要(見圖22),輸出噪聲可達μV級。

圖22 在電源中加入LDO
由于LDO的壓差(輸入與輸出電壓的差值)僅幾百mV,則在開關電源的輸出略高于LDO幾百mV就可以輸出標準電壓了,并且其損耗也不大。
7 增加有源EMI濾波器及有源輸出紋波衰減器
有源EMI濾波器可在150kHz~30MHz間衰減共模和差模噪聲,并且對衰減低頻噪聲特別有效。在250kHz時,可衰減60dB共模噪聲及80dB差模噪聲,在滿載時效率可達99%。
輸出紋波衰減器可在1~500kHz范圍內減低電源輸出紋波和噪聲30dB以上,并且能改善動態響應及減小輸出電容。