
YN-系列耐震壓力表
YN-系列耐震壓力表

耐震壓力表適用于環境劇烈振動場所,可耐受介質脈動,沖擊及突然卸荷,儀表只是穩定清晰。廣泛應用于機械,石油、化工、
冶金、礦山、電力等部門,測量對銅和銅合金無腐蝕性介質的壓力。
型號命名:

技術參數:
|
型號 |
結構形式 |
精確度% |
測量上限 MPa |
|
YN-50Z |
軸向無邊 |
±2.5 |
0.16;0.25;0.4;0.6;1.0; 1.6;2.5;4;6;10; 16;25;40;60 |
|
YN-60 YN-60T YN-60Z YN-60ZQ |
徑向無邊 徑向帶后邊 軸向無邊 軸向帶前邊 | ||
|
YN-100 YN-100T YN-100Z YN-100ZQ |
徑向無邊 徑向帶后邊 軸向無邊 軸向帶前邊 |
±1.6 |
-0.1;-0.1-0.06;-0.1-0.15; -0.1-0.3;-0.1-0.5;-0.1-0.9; -0.1-1.5;-0.1-2.4; 0.16;0.25;0.4;0.6;1.0;1.6 2.5;4.0;6.0;10;16; 25;40;60 |
|
YN-150 YN-150T YN-150Z YN-150ZQ |
徑向無邊 徑向帶后邊 軸向無邊 軸向帶前邊 | ||
|
注:軸向可按要求帶方形前邊。 | |||
使用工作溫度:-5~55℃;-25~55℃
使用工作環境振動頻率不大于25Hz,振幅不大于1mm
儀表執行標準:Q/320283ANTB01~2000
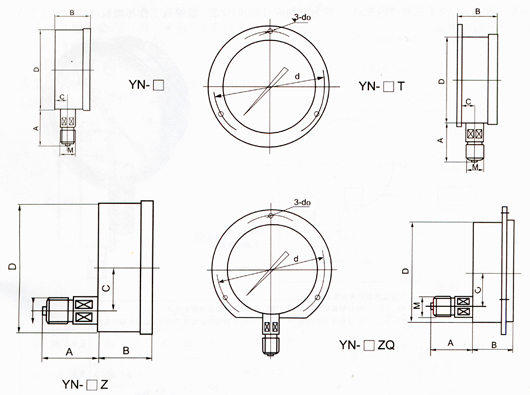
|
型號 |
外形尺寸 mm | ||||||
|
A |
B |
C |
D |
d |
d0 |
M | |
|
YN-50Z |
29 |
24 |
0 |
50 |
/ |
/ |
|
|
YN-60 YN-60T YN-60Z YN-60ZQ |
31 31 30 30 |
32 32 32 32 |
14 15 0 0 |
60 |
/ 75 / 75 |
/ 3.4 / 3.4 |
1.4×1.5 |
|
YN-100 YN-100T YN-100Z YN-100ZQ |
44 44 43 43 |
45 46 45 45 |
18 19 34 44 |
100 |
/ 118 / 118 |
/ 5.5 / 5.5 |
20×1.5 |
|
YN-150 YN-150T YN-150Z YN-150ZQ |
50 50 51 51 |
47 48 47 47 |
19 20 55 55 |
149 |
/ 165 / 165 |
/ 5.5 / 5.5 |
20×1.5 |
|
注:連接螺紋可按要求訂貨。 | |||||||
使用與訂貨須知:
使用中因環境溫度過高,儀表指示值不回零位,可用細針在儀表橡皮塞上通一小孔,使儀表內腔與大氣相通即可。
工作環境應無腐蝕性氣體。
訂貨請說明名稱,型號及測量上限。

YN-系列耐震壓力表
YN-系列耐震壓力表

耐震壓力表適用于環境劇烈振動場所,可耐受介質脈動,沖擊及突然卸荷,儀表只是穩定清晰。廣泛應用于機械,石油、化工、
冶金、礦山、電力等部門,測量對銅和銅合金無腐蝕性介質的壓力。
型號命名:

技術參數:
|
型號 |
結構形式 |
精確度% |
測量上限 MPa |
|
YN-50Z |
軸向無邊 |
±2.5 |
0.16;0.25;0.4;0.6;1.0; 1.6;2.5;4;6;10; 16;25;40;60 |
|
YN-60 YN-60T YN-60Z YN-60ZQ |
徑向無邊 徑向帶后邊 軸向無邊 軸向帶前邊 | ||
|
YN-100 YN-100T YN-100Z YN-100ZQ |
徑向無邊 徑向帶后邊 軸向無邊 軸向帶前邊 |
±1.6 |
-0.1;-0.1-0.06;-0.1-0.15; -0.1-0.3;-0.1-0.5;-0.1-0.9; -0.1-1.5;-0.1-2.4; 0.16;0.25;0.4;0.6;1.0;1.6 2.5;4.0;6.0;10;16; 25;40;60 |
|
YN-150 YN-150T YN-150Z YN-150ZQ |
徑向無邊 徑向帶后邊 軸向無邊 軸向帶前邊 | ||
|
注:軸向可按要求帶方形前邊。 | |||
使用工作溫度:-5~55℃;-25~55℃
使用工作環境振動頻率不大于25Hz,振幅不大于1mm
儀表執行標準:Q/320283ANTB01~2000
|
型號 |
外形尺寸 mm | ||||||
|
A |
B |
C |
D |
d |
d0 |
M | |
|
YN-50Z |
29 |
24 |
0 |
50 |
/ |
/ |
|
|
YN-60 YN-60T YN-60Z YN-60ZQ |
31 31 30 30 |
32 32 32 32 |
14 15 0 0 |
60 |
/ 75 / 75 |
/ 3.4 / 3.4 |
1.4×1.5 |
|
YN-100 YN-100T YN-100Z YN-100ZQ |
44 44 43 43 |
45 46 45 45 |
18 19 34 44 |
100 |
/ 118 / 118 |
/ 5.5 / 5.5 |
20×1.5 |
|
YN-150 YN-150T YN-150Z YN-150ZQ |
50 50 51 51 |
47 48 47 47 |
19 20 55 55 |
149 |
/ 165 / 165 |
/ 5.5 / 5.5 |
20×1.5 |
|
注:連接螺紋可按要求訂貨。 | |||||||
使用與訂貨須知:
使用中因環境溫度過高,儀表指示值不回零位,可用細針在儀表橡皮塞上通一小孔,使儀表內腔與大氣相通即可。
工作環境應無腐蝕性氣體。
訂貨請說明名稱,型號及測量上限。
