
Y-MC Y-MN系列衛生型隔膜壓力表
Y-MC Y-MN系列衛生型隔膜壓力表

Y-M系列衛生型隔膜壓力表具有裝拆快捷方便,易于清洗,不易污染,清潔美觀,安全可靠等優點。并滿足藥品生產質量規范(GMP)的要求,可廣泛應用于制藥、食品、飲料、制酪、水處理等行業
□主要技術指標
隔膜表的耐蝕性
隔膜表的耐蝕性可通過合適的選擇與測量介質接觸部分的隔膜、法蘭及密封圈的材料來保證。
隔膜材料:316、316L
法蘭材料:316、316L
密封因材料:硅橡膠、聚四氟乙烯
密封液的選擇
為了保證衛生型隔膜表使用的可靠性和安全性,根據不同用途,選擇合適的密封液。
| 密封液 | 受壓部溫度范圍℃ | 比重 | 體膨脹 |
| 甘油水溶液 | -5~100 | 1.27 | 0.61×10-3 |
| 丙二醇 | -30~160 | 1.04 | 0.70×10-3 |
| 植物油 | -5~100 | 1.93 | 1.03×10-3 |
□測量范圍及型號標示
|
型 號 |
形式 | 量程上限值 (MPa) | ||
| 配抗振壓力表 | 配不銹鋼壓力表 | |||
| Y-60A-Z/Z/MC | Y-60B/Z/MC | MC | 卡箍式 | 0.6~2.5 (法蘭1 1/2") |
| Y-100A-Z/Z/MC | Y-100B/Z/MC | 0.4~2.5 (法蘭2") | ||
| Y-100A-Z/Z/MN | Y-100B/Z/MN | MN | 螺母式 | 0.4~2.5 |
| Y-100A-Z/Z/MH | Y-100B/Z/MH | MH | 矩形法蘭式 (均質機用) |
10~60 |
注:1.用戶也可選用其它通用型壓力表,訂購時同本廠協商。
2.壓力表同隔膜裝置連接方式也可選用其它形式,訂貨時同本廠協商。
本廠生產的隔膜壓力表,在隔膜座上均打印“白云”商標、產品型號和生產批號。
□隔膜裝置法蘭尺寸
1.卡箍式隔膜隔離器[代號MC]

|
法蘭尺寸 |
A |
B |
|
11/2" |
43.5 |
50.5 |
|
2" |
56.5 |
64.0 |
自選件(符合ISO--2852標準)
1.卡箍11/2、2"
2.管接頭11/2、2"
3.密封圈(材料為硅橡膠、聚四氟乙烯)
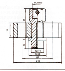
2.螺母式隔膜隔離器[代號MN]
隔膜和隔膜座材料:0Cr17Ni12Mo2[316]

3.矩形法蘭式隔膜隔離器[代號MH]
隔膜和隔膜座材料:0Cr17Ni12Mo2[316]
