
YXD-100-Z YXD-150-Z 光電耐震電接點壓力表
YXD-100-Z YXD-150-Z 光電耐震電接點壓力表

|
示
儀
表 |
測量范圍 MPa |
-0.1~0.15, -0.1~0.3, -0.1~0.5, -0.1~0.9, -0.1~ 1.5, -0.1~2.4 0~0.16,0~0.25,0~0.4,0~0.6,0~1,0~1.6,0~2.5,0~4,0~6,0~10,0~16,0~25,0~40,0~60 | |
|
精確度 |
± 1.6% | ||
|
使用工作溫度 |
-15℃~55℃ | ||
|
使用壓力上限 |
1/2~2/3 | ||
|
抗工作環(huán)境振動 |
V.H.4級 | ||
|
防護等級 |
IP64 | ||
|
工作電壓 |
DC9V | ||
|
輸出線電阻 |
<120Ω | ||
|
控
制
器 |
輸 阻 出 性 觸 負 點 載 |
最大開關電壓 |
AC 250V, DC 220V |
|
最大工作電流 |
1A | ||
|
最大控制容量 |
30VA | ||
|
電氣壽命 |
105次 | ||
|
工 作 條 件 |
電源 |
AC220V, DC12~24V | |
|
功耗 |
2.2VA | ||
|
環(huán)境溫度 |
-10℃~40℃ | ||
|
相對濕度 |
10%~75% | ||


|
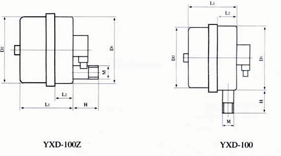
型號 |
外形尺寸mm | |||||||
|
D1 |
D2 |
L2 |
L1 |
H |
d |
d0 |
M | |
|
YXD-100ZQ |
100 |
98 |
23 |
78 |
38 |
118 |
5.5 |
20×1.5 |
|
YXD-100Z |
100 |
98 |
28.5 |
78 |
38 |
/ |
/ |
20×1.5 |
|
YXD-100 |
100 |
98 |
28.5 |
78 |
38 |
/ |
/ |
20×1.5 |
|
YXD-150 |
150 |
161 |
35 |
90 |
42 |
/ |
/ |
20×1.5 |

|
指示儀表的設定方式 |
控制器等效輸出 |
電路工作狀態(tài)分析
| ||
|
接點開關型式 |
示意圖 |
接線圖 |
說明 | |
|
上下限 |
![]() |
![]() |
上行:超過設定值時,下限斷→上限接通 下行:超過設定值時,上限斷→下限接通 | |
|
雙上限 |
![]() |
上行:超過設定值時,上限1通→上限2再接通 下行:超過設定值時,上限2斷→上限1再斷路 | ||
|
雙下限 |
![]() |
下行:超過設定值時,下限1通→下限2再接通 上行:超過設定值時,下限2斷→下限1再斷路 | ||
