
kWh(電能)變換裝置傳感器T-WNB-3D-480 WattNode 480 VAC 3-phase三角洲或Y形支架
WattNode低價提供準確測量遇見您的對次級測量的需要,網測量,能量消耗監控和表現收縮的應用。 這WattNode三角洲或Y形支架連接kWh變換裝置與Magnelab AC變流器和脈沖提供真實的RMS千瓦小時的輸入銜接器一起使用能量,用于裝載以non-sinusoidal信號波形。 由于這些傳感器栓直接地入線,應該由具有資格的人員僅使用他們。 這個模型支持3-phase三角洲連接480 VAC。
• 措施1, 2或者3個階段在2種, 3種或者4種導線配置。
• 用途以CTs寬選擇(分開地被賣),規定值從5到1500 amps。
• 1種, 2種或者3-phase配置的準確測量。
• 容易安裝和架線。
• 脈沖輸出-與脈沖兼容輸入日志記錄器模型。
• 小型-在現有的服務盤區或接線盒能安裝。
• 診斷LEDs -證實適當的設施所有階段。
• 雙向測量-凈測量為PV (光致電壓)太陽和風電力發動與僅一米。
• 測量易變的頻率驅動。
• 供給動力的線-沒有需要的外在供應。
• 可拆的接線盒-容易安裝和去除。
• 被列出的UL,cUL認證 -設計和測試對于安全和用途遍及北美洲。
• CE認證-能安裝在歐共體中。
規定值: FCC類A
操作: 電壓范圍: ±20%名詞性的詞
頻率: 60赫茲
輸入的CT : 0-0.5 VAC運行, 3 VAC最大值
封入物: 高沖擊, UL對吸收塑料估計
連接器: UL,被認可的CSA,可拆的螺絲終端(14 AWG), 600V
運行的臨時雇員范圍: -30對60°C (- 22對140°F)
運行的濕氣范圍: 0到90% RH,不能冷凝
維度: 8.5 cm x 14.3 cm x 3.8 cm (3.3 in。 x 5.6 in。 x 1.5 in.)
重量: 295 g (10.4盎司。)
數據通道的數字: 2
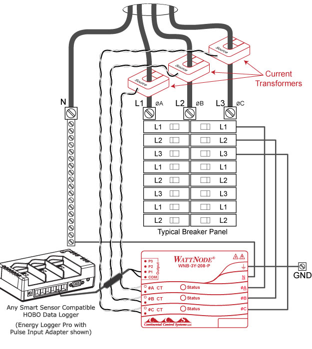
典型安裝分布圖